КВТ Наконечник болтовой 3НБЕ-800 69487
Наконечник болтовой 3НБЕ-800 КВТ (69487)
Купить по низким ценам КВТ 69487Описание КВТ 69487
Предназначены для оконцевания любого типа кабельных жил: алюминиевых и медных, круглых и секторных, моножильных и многопроволочных
Каждый болтовой наконечник является мультиразмерным и рассчитан на диапазон сечений кабеля
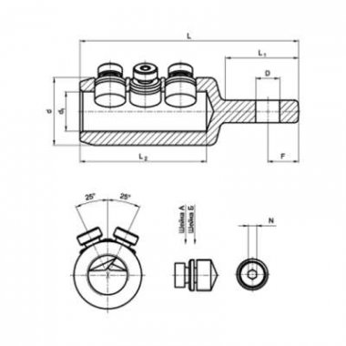
Х-образное угловое расположение болтов соответствует европейским стандартам и гарантирует механическую прочность соединения
Эксцентриковое отверстие под кабельную жилу в корпусе наконечника
Рабочее напряжение: до 10 кВ
Материал корпуса и болтов: специальный алюминиевый сплав
Крепление на жиле осуществляется методом завинчивания болтов со срывной головкой. Болтовые головки срываются при достижении установленного момента, обеспечивающего оптимальные механические и электрические свойства контактного соединения
Конструкция болтов имеет несколько проточек — срывных «шеек», благодаря чему срыв головки происходит вровень или ниже поверхности наконечника
Лопатка болтовых наконечников «КВТ» смещена относительно центральной оси и расположена на ступень ниже цилиндрического корпуса
Рифленая накатка на внутренней поверхности цилиндрической части наконечников увеличивает площадь и механическую прочность контактного соединения
Лопатка болтовых наконечников сечением 500/630 и 800 расположена центрально-симметрично относительно оси болтового наконечника.
На лопатке каждого наконечника выбита маркировка с указанием номинального диапазона сечений кабеля и логотипа производителя
Инструмент для монтажа: набор НМБ-6 (КВТ)
Рекомендованы для монтажа термоусаживаемых муфт и оснащения ремонтно-аварийных служб
Диапазоны применения болтовых наконечников и соединителей совпадают с диапазонами термоусаживаемых кабельных муфт, что делает их идеальным дополнением для комплектации наборов кабельных муфт
Характеристики
Кол-во болтов: 3
Форма лопатки: B
Диапазон сечений (мм2 ): 800
Напряжение: 10 кВ
Расположение болтов: угловое
Отверстие под кабельную жилу: эксцентриковое
Материал корпуса и болтов: специальный алюминиевый сплав
Сертификат ПИСЬМО 01-11-530
Цвет Серый
Способ монтажа На кабель
Материал изделия Алюминий
Высота, мм56
Длина, мм172
Ширина, мм56
Диаметр внешний, мм0.056
Тип изделия Наконечник
Сечение жилы, мм2800
Диаметр, мм0.56
Напряжение, В10000
Технические характеристики КВТ 69487
- Ширина упаковки 10 см
- Высота упаковки 10 см
- Глубина упаковки 10 см
- Объемный вес 1 кг
- Единица измерения шт.
- Кратность поставки 1
- Тип Наконечник
- Тип инструмента Болтовой
- Сечение 800мм2
- Ширина упаковки 10 см
- Высота упаковки 10 см
- Глубина упаковки 10 см
- Объемный вес 1 кг
- Единица измерения шт.
- Кратность поставки 1
- Тип Наконечник
- Тип инструмента Болтовой
- Сечение 800мм2

